开瑞优劲
全部新车资讯导购试驾测评自驾游用车
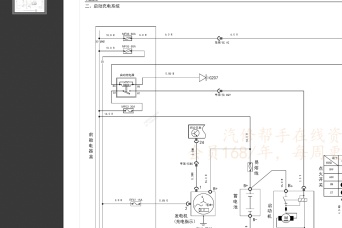
  • 开瑞优劲 优派 优翼 优胜维修手册电路图

    2025-12-26

  • 2009-2019年款奇瑞开瑞汽车维修手册电路图线路接线图资料更新汽修帮手资料库

    2023-11-13

  • ‘玩的就是非常规’开瑞优劲改装AIRBFT气动避震

    2022-11-16

  • 开瑞汽车四重豪礼冰爽“价”到,购车至高直补30000元!

    2022-07-08

  • 六村屯迎来开瑞村落地后首位开瑞车主

    2021-11-04

  • 直通大梁+3.6米长货箱,开瑞优劲T70L加长版轻卡级承载

    2021-08-06

  • 同级别最长货箱!乘用车内饰加持的开瑞优劲T50微卡评测

    2021-07-09

  • 主攻下级市场,开瑞汽车三款微卡同步上市

    2021-06-09

  • 听说这款车是生意人的左右手?真的吗?

    2021-03-29